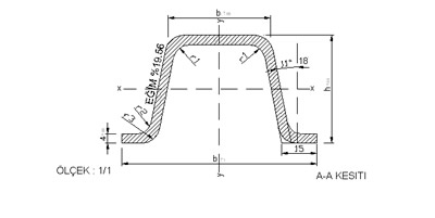
Trafik Direği - trafik Levhası Direği
Omega Galvaniz Trafik Direklerinin Kullanım Yeri ve Amacı

Ana Menü
- Ana Sayfa
- İkaz ve Uyarı Levhaları
- İş Güvenliği Levhası - Koruyucu Malzeme
- Fosforlu Yangın Yönlendirme Levhası
- Fosforlu Yangın İkaz Levhası
- Tehlikeli Madde Levhaları / Hazard Symbols
- Yangınla Mücadele ve Uyarıcı Levhalar
- Yasaklayıcı İkaz Levhası
- İkaz ve Uyarı Levhası Makina ve Yasaklar
- Elektrik Uyarıcı İkaz Levhaları
- Çevre ve İlkyardım Levhası
- IMO Semboller - Denizcilikte Kullanılır
- Şantiyeler İçin Özel Uyarı Levhaları
- Trafik İkaz Levhaları
- Sticker İkaz Etiketleri
- Mıknatıslı Magnet İkaz Levhası
- Fosforlu İkaz Şeritleri
- Acil Aydınlatma ve Yönlendirme Levhaları
- Kapı Yönlendirmeler - Kapı İsimliği
- İnşaat Tabelası


